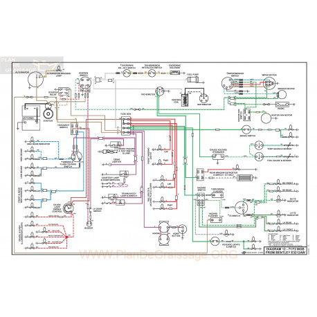
Mg Mgb Diagram12 Schema Electrique 1971 1972 Agrandir l'image

Mg Mgb Diagram12 Schema Electrique 1971 1972

Nouveau produit

Doc Technique - Plan De Graissage - Identification Plaques pour Mg Mgb Diagram12 Schema Electrique 1971 1972

Plus de détails

En savoir plus

Publications de documents anciens et introuvables sur nos véhicules Oldtimers, des plans, fiches, schémas de graissage, lubrication charts, des fiches descriptives, des fiches techniques, des informations pour le réglage moteur pour Mg Mgb Diagram12 Schema Electrique 1971 1972 Information de WWW.ARCHIVE.ORG, Scanning Google

Téléchargement