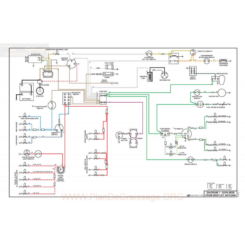
Mg Mgb Schema Electrique De 1962 A 1964 Agrandir l'image

Mg Mgb Schema Electrique De 1962 A 1964

Nouveau produit

Doc Technique - Plan De Graissage - Identification Plaques pour Mg Mgb Schema Electrique de 1962 a 1964

Plus de détails

En savoir plus

Publications de documents anciens et introuvables sur nos véhicules Oldtimers, des plans, fiches, schémas de graissage, lubrication charts, des fiches descriptives, des fiches techniques, des informations pour le réglage moteur pour Mg Mgb Schema Electrique de 1962 a 1964 Information de WWW.ARCHIVE.ORG, Scanning Google

Téléchargement